
全國服務熱線
R1系列滾珠絲杠系將滾珠螺帽與支撐軸承一體成型。
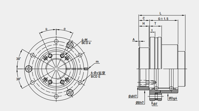
1.體積小,精度高:螺帽和支撐軸承一體成型,因此螺帽體積小,支撐軸承之接觸角為45°,可承受較大的軸向負荷,及組合高精度。
2.組裝容易:只要用螺絲將螺帽與軸承座鎖定,即可簡單獲得螺帽旋轉式滾珠絲杠機構。
3.高進給:絲杠固定,因此沒有絲杠旋轉時的慣性力,用于細長比大的滾珠絲杠亦能高速進給,并可選用較小驅動力的電機。
4.高剛性:R1系列滾珠絲杠之支撐軸承較一般絲杠之支撐軸承大,因此軸向剛性大幅提升。
5.低噪音:R1系列使用端蓋循環,循環鋼珠于螺帽內部回流,即使高速回轉噪音也較一般絲杠小。